差动放大电路又叫差分电路,他不仅能有效地放大交流信号,而且能有效地减小由于电源波动和晶体管随温度变化多引起的零点漂移,因而获得广泛的应用。特别是大量的应用于集成运放电路,他常被用作多级放大器的前置级。
-
概述
基本差动放大电路由两个完全对称的共发射极单管放大电路组成,该电路的输入端是两个信号的输入,这两个信号的差值,为电路有效输入信号,电路的输出是对这两个输入信号之差的放大。设想这样一种情景,如果存在干扰信号,会对两个输入信号产生相同的干扰,通过二者之差,干扰信号的有效输入为零,这就达到了抗共模干扰的目的。
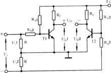
- 电路图
-
工作原理
1、差动放大电路的基本形式对电路的要求是:两个电路的参数完全对称两个管子的温度特性也完全对称。它的工作原理是:当输入信号Ui=0时,则两管的电流相等,两管的集电极电位也相等,所以输出电压Uo=UC1-UC2=0。温度上升时,两管电流均增加,则集电极电位均下降,由于它们处于同一温度环境,因此两管的电流和电压变化量均相等,其输出电压仍然为零。它的放大作用(输入信号有两种类型)
共模信号
共模信号的作用,对两管的作用是同向的,将引起两管电流同量的增加,集电极电位也同量减小,因此两管集电极输出共模电压Uoc为零。因此:。于是差动电路对称时,对共模信号的抑制能力强字串3差模信号
差模信号---在差动放大管T1和T2的基极分别加入幅度相等而极性相反的信号。如图(3)所示差模信号的作用,由于信号的极性相反,因此T1管集电极电压下降,T2管的集电极电压上升,且二者的变化量的绝对值相等,因此: 此时的两管基极的信号为:所以:,由此我们可以看出差动电路的差模电压放大倍数等于单管电压的放大倍数。由图可知,当对差动电路的两个输入端加上一对大小相等、相位相反的差模信号,这时第一个管的射级电流增大,第二个管的射级电流减小,且增大量和减小量时时相等。另外,由于输入差模信号,两管输出端电位变化时,一端升高。另一端则降低,且升高量等于降低量。基本差动电路存在如下问题: 电路难于绝对对称,因此输出仍然存在零漂;管子没有采取消除零漂的措施,有时会使电路失去放大能力;它要对地输出,此时的零漂与单管放大电路一样。 为此我们要学习另一种差动放大电路------长尾式差动放大电路 -
零点漂移
零点漂移可描述为:输入电压为零,输出电压偏离零值的变化。它又被简称为:零漂零点漂移是怎样形成的:运算放大器均是采用直接耦合的方式,我们知道直接耦合式放大电路的各级的Q点是相互影响的,由于各级的放大作用,第一级的微弱变化,会使输出级产生很大的变化。当输入短路时(由于一些原因使输入级的Q点发生微弱变化 像:温度),输出将随时间缓慢变化,这样就形成了零点漂移。产生零漂的原因是:晶体三极管的参数受温度的影响。解决零漂最有效的措施是:采用差分放大电路。


